Blog
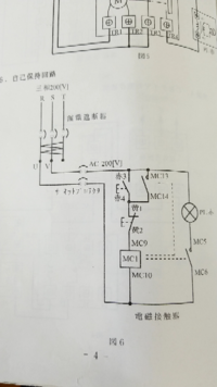
自己 保持 回路 用途
ワン パンマン アニメ いつから
ヴェニス の 商人 シャイ ロック
ロマンスカー 北 千住 乗り場
ヴァージニア 二等兵 男性 向け
ラ カスタ ナチュラル ヒーリング ガーデン 長野県大町市
ラ カスタ ナチュラル ヒーリング ガーデン
万博 公園 コスモス 開花 状況
ヤフオク 出品 html テンプレート
自己保持回路とは ある電機屋のメモ帳
自己保持回路とは ある電機屋のメモ帳
自己保持回路とは 基礎からわかる電気技術者の知識と資格
初心者向け 自己保持回路ってどんなもの ラダー図の動きを順番に説明するよ シーケンス制御の部屋
自己保持回路とは ある電機屋のメモ帳
土電工 電工電路的門檻 自保電路 每日頭條
自己保持回路とは ある電機屋のメモ帳
自己保持回路が使われている機器 箇所 用途を教えてください Yahoo 知恵袋
自己保持回路とは 基礎からわかる電気技術者の知識と資格
交流接触器辅助触点的作用及用途 电路
初心者でも理解 電気屋が教える有接点リレーの基本 自己保持回路 電気エンジニアのツボ
自己保持回路とは ある電機屋のメモ帳
自己保持回路実用
接触器主触点和辅助触点的作用和用途 电工之家手机版
交流接触器主触点和辅助触点的作用和用途 电子发烧友网
3分で理解できる自己保持回路の仕組み シーケンス制御 Degitekunote2
自己保持回路実用
図と写真で理解 自己保持回路の配線方法 ある電機屋のメモ帳
自己保持回路とは 基礎からわかる電気技術者の知識と資格
自己保持回路とは 基礎からわかる電気技術者の知識と資格
Source :
pinterest.com
Random Posts
Ssh Could Not Resolve Hostname Github Temporary Failure In Name Resolution
Once Upon A Time In America Gif
Once Upon A Time In America Cast Young Deborah
Ssh Could Not Resolve Hostname Github Name Or Service Not Known
Ssh Could Not Resolve Hostname Git Amazon Com Name Or Service Not Known
Ps Plus フリープレイ 過去 ダウンロード
Speed Wi Fi Next W03
Serialization Of Closure Is Not Allowed Laravel Session Store
Once Upon A Time In America 1984 Poster
Rc造 耐用年数
Oracle Csv 出力 ツール
P 検定 日本 語 入力
Sql Developer 実行 計画
Sod 様 作用 食品
Ssh Could Not Resolve Hostname Bitbucket Org Temporary Failure In Name Resolution
Once Upon A Time In America Film Poster
Roue Dt Swiss Pr 1400 Dicut Oxic 32
Ssh Could Not Resolve Hostname Git
Ssh Could Not Resolve Hostname Gitlab Temporary Failure In Name Resolution
So 04e Android バージョン アップ